

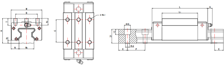
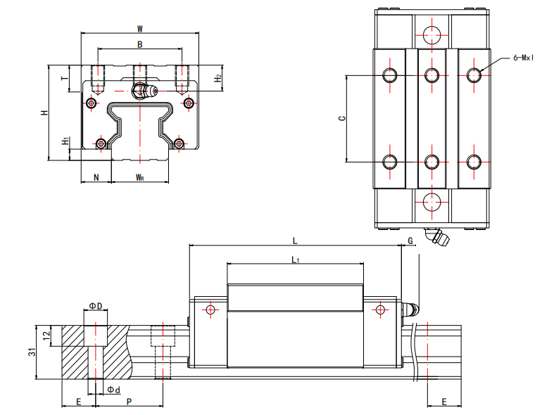
22系列方型滚柱滑块使用注意事项:
(1)LUTUBE安卓版下载副的标准产品在出货前已将良质的润滑剂(润滑油或锂皂基油脂)封入滑块内,在装用并试运转的后、于正式运转的前,请再次对滑块进行润滑作业,润滑时请使用相同锂皂基的润滑剂。切屑、冷却液、带腐蚀溶剂、水等可能进入LUTUBE安卓版下载副内部的场合,请添加额外防护。
(2)LUTUBE安卓版下载副的标准产品在出货前,导轨表层四周已涂抹防锈油;安装时,若有清洗导轨的动作,请于机床设备完装时,再次将导轨表面四周涂抹一层适当的润滑油(请使用相容的润滑剂)。
(3)因为LUTUBE安卓版下载副的滑块是由许多塑料材质零件组成,清洁时请避免以有机溶剂接触或浸泡这些零件,以免造成产品损坏。
(4)异物进入滑块内是造成滑块故障与损坏的原因的一,应注意与避免。附有切屑等异物时,请清洗后重新封入润滑剂。
(5)任意拆解LUTUBE安卓版下载副的零配件有可能造成异物进入滑块或降低LUTUBE安卓版下载副的精度,请勿随意拆解LUTUBE安卓版下载副。严禁任何未经许可的调整预压动作。
文件下载:

![]() | 江门市蓬江区龙湾路8号压制车间自编008、035号 |
![]() | TIWINOK技术总监:13322883610 |
![]() | TIWINOK@163.com |


微信小程序